Khí Oxy và ứng dụng của khí Oxy?
Mỗi ngày trôi qua, trên đất nước Việt Nam sản xuất và tiêu thụ cả ngàn tấn oxy cho các lĩnh vực y tế và sản xuất công nghiệp.
Khí oxy cũng là dưỡng khi cho con người nói riêng và động vật nói chung
Tuy nhiên, oxy cũng không “lành” như ta tưởng, các sự cố, tai nạn đáng tiếc liên quan tới oxy vẫn còn xảy ra hàng ngày. Với tài liệu này, nhóm tác giả hi vọng có thể phần nào giúp cho độc giả nắm được những tính chất cơ bản của oxy, những mối nguy và rủi ro mà nó có thể gây ra, từ đó đề xuất các lưu ý, biện pháp phòng ngừa trong quá trình sử dụng, bảo quản và vận chuyển khí oxy tại Việt Nam
Oxy tồn tại ở đâu trong tự nhiên?
Trong không khí oxy chiếm tỷ lệ tương đương 21% , đây là nguồn nguyên liệu chính cho sản xuất oxy trông công nghiệp

| Tên | Khí oxy |
| Công thức hóa học | O2 |
| Số CAS | 7722-44-7 |
| Khối lượng phân tử | 32 |
| Tỷ trọng khí | 1.429 kg/m3 (ở 0℃,1atm) |
| Tỷ trọng lỏng | 1.141 kg/l (ở nhiệt độ sôi ) |
| Điểm nóng chảy | -218.8 ℃ (1atm) |
| Điểm sôi | -183℃ (1atm) |
| Đặc tính | Oxy lỏng: là một chất lỏng trong suốt có màu xanh nhạt Phân tử Oxy bị nhiễm từ dưới tác động của từ trường |
| Phản ứng hóa học | O2 phản ứng với tất cả các nguyên tố khác (trừ khí hiếm) để tạo thành oxit ở các điều kiện và tốc độ khác nhau. |
| Giãn nở từ lỏng sang khí | Tăng 901 lần về thể tích (ở 35oC, 1 atm) |
Sản xuất và ứng dụng của oxy trong công nghiệp và đời sống:
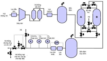
Oxy chủ yếu được sản xuất bằng Dây chuyền tách khí (ASP). Oxy sản xuất từ quy trình này thường ở dạng hóa lỏng, có độ tinh khiết ≥ 99.6%, đáp ứng hầu hết yêu cầu oxy trong công nghiệp và y tế.

Oxy sản xuất từ quy trình PSA ở dạng khí nén áp lực cao, có độ tinh khiết 93%, đáp ứng 1 phần nhu cầu oxy trong điều kiện không cần thiết độ tinh khiết cao.

Ứng dụng của oxy:
Oxy có nhiều ứng dụng trong kỹ thuật cũng như trong đời sống:
- Làm khí thở cho người: Khí thở cho thợ lặn: bình khí dùng cho thợ lặn chứa khoảng 21% oxy, các khí còn lại có thể là ni tơ hoặc Heli (lặn sâu) hoặc Neon (lặn rất sâu)
- Mặt nạ dưỡng khí trên máy bay: O2 được tạo ra từ phản ứng hoá học qua hệ thống tạo oxy hóa học, thiết kế trong mặt nạ dưỡng khí. Có thể thở từ 12 đến 20 phút
- Khí thở cho người leo núi: càng lên cao nồng độ oxy càng giảm, người leo núi phải trang bị bình khí thở có nồng độ O2 ~21%
- Khí thở cho bệnh nhân: hỗ trợ trong điều trị bệnh khi cơ thể trong tình trạng thiếu O2
- Sử dụng nhiệt từ quá trình đốt cháy
- Hàn cắt kim loại: Kết hợp O2 và các loại khí cháy như C2H2, LPG để tạo ngọn lửa nhiệt lượng rất lớn dùng để hàn, cắt kim
- Cắt kim loại bằng laser:O2 sử dụng cho máy cắt laser, cắt theo lập trình những đường cắt phức tạp Laser
- Luyện kim, sản xuất thép Người ta thổi oxy >99.6% vào gang để đốt cháy C, Mn, Si, P trong quá trình luyện thép
- Dùng để phóng tên lửa
- Sản xuất hợp chất vô cơ
- Dùng trong xử lý nước thải
- Dùng trong tổng hợp các chất hữu cơ
Thiết bị chứa oxy:
- Dạng nén áp lực cao

- Dạng khí lỏng lạng sâu:

Phụ kiện dùng cho oxy:
- Bộ điều áp hay còn gọi là van điều áp là một thiết bị điều khiển tăng giảm áp suất đầu vào của dòng khi nén trong đường ống sao cho phù hợp với nhu cầu sử dụng.


- Van chống cháy ngược/ Flashback arrestor Thiết bị chống cháy ngược là thiết bị an toàn khí được sử dụng phổ biến nhất trong hàn và cắt nhiên liệu oxy để ngăn chặn ngọn lửa hoặc dòng khí ngược chảy ngược vào thiết bị hoặc đường cung cấp. Nó bảo vệ người dùng và thiết bị khỏi bị hư hại hoặc nổ

- Các loại van khóa thường gặp

- Van an toàn

Công ty TNHH Favigas chuyên cung cấp các sản phẩm và dịch vụ:
- Thiết kế, lắp đặt và sửa chữa hệ thống Khí công nghiệp (Oxy, Nitơ, CO2, Argon, Acetylen, khí hỗn hợp,…), hệ thống Khí dầu mỏ hóa Lỏng – LPG, hệ thống Khí thiên nhiên hoá Lỏng – LNG, hệ thống Khí nén thiên nhiên – CNG, hệ thống Oxy y tế, hệ thống khí Nitơ và CO2 dùng trong đông lạnh trái cây, thủy – hải sản và bảo quản thực phẩm.
- Cung cấp Khí công nghiệp (Lỏng & Khí): Oxy, Nitơ, CO2, Argon, Acetylen, Heli, Ethylene, Hydro, Propane, Metan, Khí hỗn hợp, Nitơ thực phẩm, CO2 thực phẩm, Oxy y tế và Amoniac.
- Cung cấp khí hiệu chuẩn & khí đặc biệt như: CO, N2O, SO2, H2S, NO, CO, HCl, NO2, HF, C3H8, C3H6, EO.
- Thiết bị ngành khí: Bồn khí hoá lỏng, bồn ISO, chai khí, bình khí, van khí, điều áp, dàn hoá hơi, đường ống.
- Dịch vụ thổi khí, làm lạnh, làm sạch và kiểm tra rò rỉ.
- Phân phối gas lạnh: R134a, R410A, R32, R404A, R22, R407C, R600a, R290, R23, R123 và R507.
Hoạt động với phương châm “An Toàn – Chất Lượng – Hiệu Quả” cùng đội ngũ kỹ sư và kỹ thuật nhiều kinh nghiệm, FAVIGAS cam kết đem đến cho chủ đầu tư chất lượng sản phẩm và dịch vụ tốt nhất, các hệ thống được thi công với độ chính xác, an toàn cao, đảm bảo tính thẩm mỹ, chế độ bảo hành và bảo trì tận tâm.
Rất mong nhận được sự quan tâm và hợp tác của Quý Khách hàng.
Cần thêm thông tin, Quý Khách hàng vui lòng liên hệ:
CÔNG TY TNHH FAVIGAS
Hotline: 0961 061 680 – 0901 393 975
Email: sales@favigas.com.vn
Website: https://favigas.com.vn
Địa chỉ: Số 66, Đường DT741, P. Hoà Lợi, Tp. Hồ Chí Minh (Tp. Bến Cát, Tỉnh Bình Dương cũ).
Kho hàng: Đường NA1, KCN Mỹ Phước 2, Phường Bến Cát, Thành phố Hồ Chí Minh.




English
日本語
한국어
中文 (中国)

